Calculator For Hollow Structural Sections - Rectangular

Input your values in the fields below:

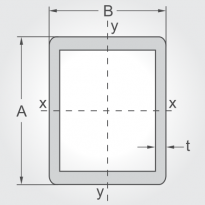
Thickness cannot be larger than half the side.
Side, A : mm
Side, B : mm
Thickness, t : mm
Length, L : m
Results
Weight per meter: Kg / m
Total weight : Kg

Calculator for Hollow Structural Sections - Rectangular

Call Now