Calculator For Equal Angles

Input your values in the fields below:

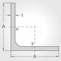
Side, A : mm
Thickness, t : mm
Length, L : m
Results
Weight per meter: Kg / m
Total weight : Kg

Calculator for Equal Angles

Call Now