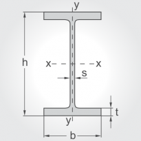
Input your values in the fields below:
| Profile : | ||
| Height, h : | mm | |
| Width, b : | mm | |
| Thickness, s : | mm | |
| Thickness, t : | mm | |
| Length, L : | m | |
| Results | ||
| Weight per meter: | Kg / m | |
| Total weight : | Kg | |
Calculator for Beams - IPE